联系我们
发送邮箱
主页 › 产品中心其它产品微动开关SwitchLED发光开关RS998
 
LED按钮开关为按钮开关+LED的复合式按钮开关,开关功能件内部带有LED指示灯,既能准确指示开关通断状态,同时又非常方便用户在黑暗中寻找开关位置。它的开和关的操作都在同一位置,手按松开后翘板自动恢复平整状态,手感更好,而且寿命更长。
带OLED显示按钮开关RS998

•  Pole-Position:OFF-<0N> for Momentary Type,SPST
•  Contact Rating:100mA 12VDC
•  Contact Resistance:200mΩ max
•  Insulation Resistance:100MΩ min.500VDC
•  Dielectric Strength:Breakdown is not Allowable;500 VAC for 1 Minute
•  Operating Force:250±100gf
•  Operating Life:1,000,000 cycles
•  Operating Temperature Range:-10℃ ~ +60℃
•  Total Travel:3.3±0.20mm
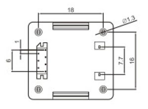
  带OLED显示按钮开关RS998实拍图   带OLED显示按钮开关RS998结构图     开关RS998结构图     RS998结构图

 

Part Number Pole-Position Contact Rating Contact Resistance Insulation Resistance Dielectric Strength Operating Force Operating Life Operating Temperature Total Travel PDF下载
RS998-N11AK OFF-<0N> for Momentary Type,SPST 100mA 12VDC 200mΩ max 100MΩ min.500VDC Breakdown is not Allowable;500 VAC for 1 Minute 250±100gf 1,000,000 cycles -10℃ ~ +60℃ 3.3±0.20mm 暂无
展开
Baidu
map