联系我们
发送邮箱
主页 › 产品中心其它产品微动开关Switch指拨开关RA
旋转开关是以旋转手柄来控制主触点通断的一种开关。旋转开关的结构形式也有两种,分别是单极单位结构和多极多位结构。单极单位旋转开关在应用中常与转轴式电位器共同使用,而多极多位旋转开关多用于工作状态线路的切换。
旋转开关,因为其用途的关系,整体采用密封结构,有一定的防水效果,基本可达到IP65的防水级别。同时需要采用比较坚硬耐用的金属材质,在档位上有2档或者3档的区别。
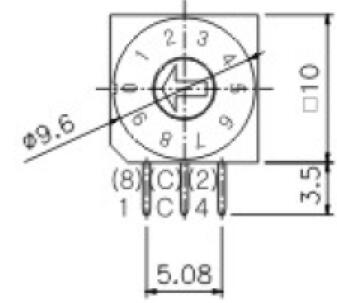
旋转开关RA

• Rating :   150mA, DC 42V (Switching)
200mA, DC 42V (None Switching)
• Contact Resistance : 80mΩ Max.
• Insulation Resistance :100MΩ Min at DC 250V
• Operating Force :  700gf Max.
• Life Cycle :  10, 000 steps
• ealing :  IP67 (Dust & Water proof)
*Except cross type of Actuator("Е"Туре)
                       
 

Part Number Rating Contact Resistance Insulation Resistance Operating Force Life Cycle Sealing PDF下载
RA 50mA, DC 42V (Switching);200mA, DC 42V (None Switching) 80mΩ Max 100MΩ Min at DC 250V 700gf Max. 10,000 steps IP67(Dust&Water proof) 暂无
展开
Baidu
map