联系我们
发送邮箱
主页 › 新闻资讯新闻动态 › 基于ARM Cortex M0国产32位单片机MM32SPIN220B

基于ARM Cortex M0国产32位单片机MM32SPIN220B

2021-01-04 09:41:01

灵动MM32SPIN220B使用高性能的ARM®CortexTM-M0为内核的国产32位MCU,内嵌两组具备有自举二极管的N通道半桥栅极驱动器。MCU微控制器工作频率高达96兆赫兹,内置高速SRAM存储器,丰富的增强型I/O端口和外设连接到外部总线。MM32SPIN220B系列包含1个12位ADC、4个16位通用定时器、1个32位通用定时器、1个高级PWM定时器,还包含标准的UART通信接口与特有的单线双向通信接口。
 
MM32SPIN220B产品系列输入电压为3V~15V,具有过温保护和欠压锁定保护功能,可以进入待机模式,保证低功耗应用的要求。
 
MM32SPIN220B产品提供QFN32封装形式;下面给出了该系列产品中所有外设的基本介绍。
这些丰富的外设配置,使得MM32SPIN220B产品微控制器适合于单相永磁无刷电机、快速无线充电等多种应用场合。灵动微总代理英尚微电子可提供免费开发板测试及例程支持。

MM32SPIN220B产品特性
•两组N型半桥式栅极驱动器(GATE-DRIVER)
-工作电压范围:5V至13V
-二相栅极驱动器
-驱动能力:5000PF负载,上升时间与下降时间为75N秒
-UVLO保护
-上下桥短路自动保护功能
•内核与系统:
-32位ARM®CortexTM-M0处理器内核
最高工作频率可达96MHZ
-单指令周期32位硬件乘法器
•存储器
-高达64K字节的闪存程序存储器
-高达8K字节的SRAM
•时钟、复位和电源管理
-2.0V~5.5V供电
-上电/断电复位(POR/PDR)、可编程电压监测器(PVD)
-外部8~24MHz高速晶体振荡器
-内嵌经出厂调校的48MHz高速振荡器
-内嵌40KHz低速振荡器
-PLL支持CPU最高运行在96MHz
•低功耗
-睡眠、停机和待机模式
•1个12位模数转换器,1μS转换时间(多达8个输入通道)
-转换范围:0~VDDA
•2个比较器
•5通道DMA控制器
-支持的外设:Timer、UART、I2C和ADC
•多达10个快速I/O端口:
-所有I/O口可以映像到16个外部中断;
特定的端口支持输入输出5V信号
•调试模式
-串行单线调试(SWD)
•多达9个定时器
-1个16位高级定时器4通道高级控制定时器
-1个32位定时器和4个16位定时器
-2个看门狗定时器(独立的和窗口型的)
-系统时间定时器:24位自减型计数器
•多达2个通信接口
-1个UART接口
-1个I2C接口
•96位的芯片唯一ID(UID)
•采用QFN32封装
 
MM32SPIN220B产品功能和外设配置

 
ARM®的CortexTM-M0核心并内嵌闪存和SRAM
ARM®的CortexTM-M0处理器是最新一代的嵌入式ARM处理器,它为实现MCU的需要提供了低成本的平台、缩减的引脚数目、降低的系统功耗,同时提供卓越的计算性能和先进的中断系统响应。
 
ARM®的CortexTM-M0是32位的RISC处理器,提供额外的代码效率,在通常8和16位系统的存储空间上发挥了ARM内核的高性能。
 
MM32SPIN220B拥有内置的ARM核心,因此它与所有的ARM工具和软件兼容。
 
内置闪存存储器
最大64K字节的内置闪存存储器,用于存放程序和数据。
 
内置SRAM
最大8K字节的内置SRAM。
 
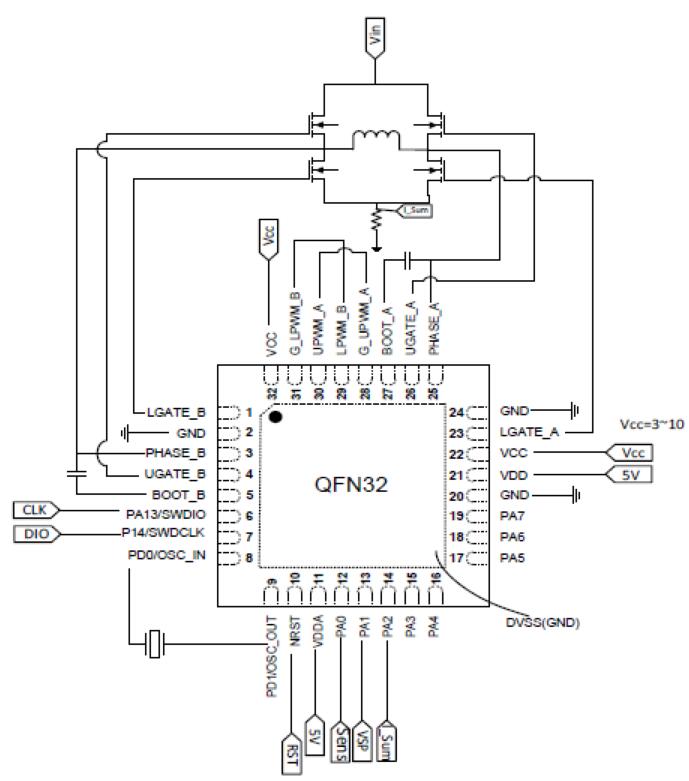
MM32SPIN220B应用参考线路



 
本文关键词:MM32SPIN220B


相关文章:STM32国产替代者灵动微


深圳市英尚微电子有限公司是一家专业的静态随机记忆体产品及方案提供商,十年来专业致力代理分销存储芯片IC, SRAM、MRAM、pSRAM、 FLASH芯片、SDRAM(DDR1/DDR2/DDR3)等,为客人提供性价比更高的产品及方案。
英尚微电子中国区指定的授权代理:VTI、NETSOL、JSC济州半导体(EMLSI)、Everspin 、IPSILOG、LYONTEK、ISSI、CYPRESS、ISOCOME、PARAGON、SINOCHIP、UNIIC; 著名半导体品牌的专业分销商  如:RAMTROM、ETRON、FUJITSU、LYONTEK、WILLSEMI。

 

​更多资讯关注SRAMSUN.   m.xpcontent.com         0755-66658299
 
 
展开
Baidu
map