联系我们
发送邮箱
主页 › 新闻资讯行业动态 › 巨微总代理低功耗蓝牙芯片MS1586

巨微总代理低功耗蓝牙芯片MS1586

2020-08-13 11:33:45

上海巨微拥有多位具有多年成功行业经验的海归博士,清华博士为骨干的研发团队。投入即将到来的物联网产业的发展,专注蓝牙芯片和与之相关的系统设计,提供最高性价比的通用无线芯片和无线传感器芯片和方案,并成为无线传感节点的主要供货商。其核心技术能力覆盖射频,模拟,SOC和系统软件的设计。巨微代理商英尚微电子提供技术支持及产品应用解决方案等一体系服务。
 
MS1586包含8位单片机和低功耗、低成本的BLE收发器,内部集成了发射机、接收机、GFSK调制解调器和BLE基带处理。遵循BLE广播通道通信,具有成本低、体积小、控制方便等优点。
 
特点
•4KWOTPROM
•256byteSRAM
•1个16位硬件定时器
•两个8位定时器(可作为PWM生成器)
•三个11位硬件PWM生成器
•一个硬件比较器
•9个IO引脚
•6通道12位ADC
•ADC参考电压
•一组1T8X8硬件乘法器
•时钟模式:内部高频振荡器,内部低频振荡器,外部晶体振荡器
•唤醒的IO:支持两种唤醒速度:正常和快速
•大部分单周期指令
•可设定堆栈指针和堆栈深度
•工作温度:-20°C~+70°C
•工作电压:2.2V~3.6V
•封装SOP16(150mil)
•BLE射频发射功率:最高3dBm
•BLE接收灵敏度:-85dBm
 
管脚描述
MS1586采用SOP16封装。

 
BLE寄存器信息
BLE寄存器可以通过模拟spi接口进行读写访问。MS1586内部的接口信号图如下:
 
 
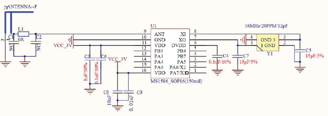
典型应用原理图

 
封装




 
更多详情点击该链接://m.xpcontent.com/list-451-1.html


本文关键词:蓝牙芯片   MS1586


相关文章: 蓝牙芯片广播通道在业界的主要应用
 


深圳市英尚微电子有限公司是一家专业的静态随机记忆体产品及方案提供商,十年来专业致力代理分销存储芯片IC, SRAM、MRAM、pSRAM、 FLASH芯片、SDRAM(DDR1/DDR2/DDR3)等,为客人提供性价比更高的产品及方案。
英尚微电子中国区指定的授权代理:VTI、NETSOL、JSC济州半导体(EMLSI)、Everspin 、IPSILOG、LYONTEK、ISSI、CYPRESS、ISOCOME、PARAGON、SINOCHIP、UNIIC; 著名半导体品牌的专业分销商  如:RAMTROM、ETRON、FUJITSU、LYONTEK、WILLSEMI。

 

​更多资讯关注SRAMSUN.   m.xpcontent.com         0755-66658299
 
 
展开
Baidu
map