SRAM与DRAM的区别
2017-04-24 17:15:10
首先先从定义是去理解sram跟dram在名称上的定义,从字面上看,SRAM(Static Random Access Memory),即静态随机存取存储器。它是一种具有静止存取功能的内存,不需要刷新电路即能保存它内部存储的数据。DRAM(Dynamic Random Access Memory),即动态随机存取存储器,最为常见的系统内存。DRAM 只能将数据保持很短的时间。为了保持数据,DRAM使用电容存储,所以必须隔一段时间刷新(refresh)一次,如果存储单元没有被刷新,存储的信息就会丢失。从定义上看SRAM跟DRAM区别只在于一个是静态一个是动态。由于
SRAM不需要刷新电路就能够保存数据,所以具有静止存取数据的作用。而DRAM则需要不停地刷新电路,否则内部的数据将会消失。而且不停刷新电路的功耗是很高的,在我们的PC待机时消耗的电量有很大一部分都来自于对内存的刷新。那么为什么我们不用SRAM来作为内存呢?
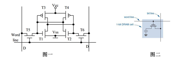
首先来看一张SRAM的基本单元结构图(图一),再来看看DRAM的基本单元结构图(图二)

SRAM存储器存储一位需要花6个晶体管,而DRAM存储器只需要用一个电容和一个晶体管。cache追求的是速度所以选择SRAM,而内存则追求容量所以选择能够在相同空间中存放更多内容并且造价相对低廉的DRAM。
我们暂且不去讨论关于SRAM是如何静态存储数据的,为什么DRAM存储器需要不断刷新呢?
DRAM存储器里面的数据实际上是存在电容里的。而电容放久了,内部的电荷就会越来越少,对外就形成不了电位的变化。而且当对DRAM进行读操作的时候需要将电容与外界形成回路,通过检查是否有电荷流进或流出来判断该bit是1还是0。所以无论怎样,在读操作中我们都破坏了原来的数据。所以在读操作结束后需要将数据写回DRAM中。在整个读或者写操作的周期中,计算机都会进行DRAM存储器的刷新,通常是刷新的周期是4ms-64ms。
关于SRAM和DRAM的寻址方式也有所不同。虽然通常我们都认为内存像一个长长的数组呈一维排列,但实际上内存是以一个二维数组的形式排列的,每个单元都有其行地址和列地址,当然cache也一样。而这两者的不同在于对于容量较小的SRAM,我们可以将行地址和列地址一次性传入到SRAM中,而如果我们对DRAM也这样做的话,则需要很多很多根地址线(容量越大,地址越长,地址位数越多)。所以我们选择分别传送行地址和列地址到DRAM中。先选中一整行,然后将整行数据存到一个锁存器中,等待列地址的传送然后选中所需要的数据。这也是为什么SRAM比DRAM快的原因之一。