联系我们
发送邮箱
主页 › 产品中心其它产品微动开关Switch轻触开关R2996

轻触开关又叫按键开关,使用时以满足操作力的条件向开关操作方向施压开关功能闭合接通,当撤销压力时开关即断开,其内部结构是靠金属弹片受力变化来实现通断的。
轻触开关由:嵌件、基座、弹片、按钮、盖板组成其中防水类轻触开关在弹片上加一层聚酰亚胺薄膜,轻触开关有接触电阻荷小、精确的操作力误差、规格多样化等方面的优势。
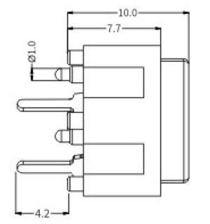
密封型轻触开关R2996

•  Rating12VDC 50mA
•  Travel1.5±0.3mm
•  Life100,000 cycles
•  Contact Resistance100mΩ MAX Initial
•  Insulation Resistance100mΩ min. 100VDC
•  Dielectric Strength250VAC(50/60Hz)FOR 1MIN
•  Operating Force135±50gf 300±80gf 400± 80gf
 密封型轻触开关R2996实拍图 轻触开关R2996结构图  密封型R2996开关结构图      密封型轻触开关结构图

 

Part Number Rating Contact Resistance Insulation Resistance Dielectric Strength Operating Force Travel Life PDF下载
R2996-1-X-X-X-B 12VDC 50mA 100mΩ MAX Initial 100mΩ min. 100VDC 250VAC(50/60Hz)FOR 1MIN 135±50gf 300±80gf 400± 80gf 1.5±0.3mm 100,000 cycles 暂无
展开
Baidu
map