联系我们
发送邮箱
主页 › 产品中心其它产品微动开关Switch轻触开关R10

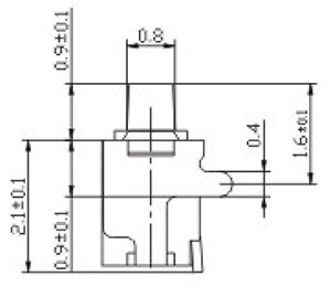
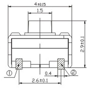
轻触开关又叫按键开关,使用时以满足操作力的条件向开关操作方向施压开关功能闭合接通,当撤销压力时开关即断开,其内部结构是靠金属弹片受力变化来实现通断的。
轻触开关由:嵌件、基座、弹片、按钮、盖板组成其中防水类轻触开关在弹片上加一层聚酰亚胺薄膜,轻触开关有接触电阻荷小、精确的操作力误差、规格多样化等方面的优势。
微型侧贴轻触开关R10

•  Rating:12VDC 50mA
•  Travel:10.13mm
•  Life:1100,000 cycles
•  Contact Resistance:1100mΩ MAX Initial
•  Insulation Resistance:1100mΩ min. 100VDC
•  Dielectric Strength:1250VAC(50/60Hz)FOR 1MIN
•  Operating Force:12=180gf 3=260gf
•  Operating Temperature:1-30℃ ~70℃
  微型侧贴轻触开关R10实拍图      微型轻触开关R10结构图    轻触开关R10结构图      R10结构图

 

Part Number Rating Contact Resistance Insulation Resistance Dielectric Strength Operating Force Travel Life Operating Temperature PDF下载
R10-2030-29-180 12VDC 50mA 100mΩ MAX Initial 100mΩ min. 100VDC 250VAC(50/60Hz)FOR 1MIN 2=180gf 3=260gf 0.13mm 100,000 cycles -30℃ ~70℃ 暂无
R10-2030-25-180 12VDC 50mA 100mΩ MAX Initial 100mΩ min. 100VDC 250VAC(50/60Hz)FOR 1MIN 2=180gf 3=260gf 0.13mm 100,000 cycles -30℃ ~70℃ 暂无
R10-2040-G1 12VDC 50mA 100mΩ MAX Initial 100mΩ min. 100VDC 250VAC(50/60Hz)FOR 1MIN 2=180gf 3=260gf 0.13mm 100,000 cycles -30℃ ~70℃ 暂无
R10-2446 12VDC 50mA 100mΩ MAX Initial 100mΩ min. 100VDC 250VAC(50/60Hz)FOR 1MIN 2=180gf 3=260gf 0.13mm 100,000 cycles -30℃ ~70℃ 暂无
展开
Baidu
map