联系我们
发送邮箱
主页 › 新闻资讯行业动态 › 低功耗蓝牙芯片智能照明解决方案

低功耗蓝牙芯片智能照明解决方案

2020-09-22 10:04:57

智能照明是目前智能家居中普遍的应用,可实现节能省电和提供更高的舒适性和便利性。智能照明是指利用物联网技术、有线/无线通讯技术、电力载波通讯技术、嵌入式计算机智能化信息处理,以及节能控制等技术组成的分布式照明控制系统,来实现对照明设备的智能化控制。下面上海巨微总代理介绍关于低功耗蓝牙芯片智能照明的解决方案。
 
蓝牙智能照明
 
支持场景:
 
点对点遥控智能灯;
 
该方案通过标准蓝牙协议,在巨微的低成本解决方案上实现LED灯的调光调色。
 
备选芯片型号:MS1793,MS1591。
 
点对组或多组遥控智能灯(MG-Mesh);
 
该方案采用巨微创新的MG-Mesh系统架构,用最低成本实现LED自组网和调光调色。手机和遥控器都可以控制。
 
 
 
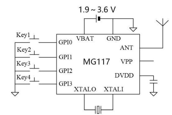
自组网遥控器电路:
 
4键遥控器:采用MG117
 
 
 
 
多键遥控器:采用 8位MCU+MG127
 
 
灯节点的控制电路:采用 8位MCU+MG127
 
 
系统成本大大低于其他蓝牙解决方案。
 
巨微蓝牙芯片MG127是具有低功耗、低成本的BLE 收发器,内部集成了发射机、接收机、GFSK 调制解调器和BLE 基带处理。电源电压1.9~3.6,可以采用一个纽扣电池(3.0v)供电,具备3uA待机电流,20mA@0dBm持续发射,18mA持续接收等特点。MG127 采用DFN3x3 封装,只需搭配低成本MCU 和少数外围被动器件,即可实现BLE 遥控、蓝牙电子秤等应用。


更多详情点击该链接://m.xpcontent.com/list-451-1.html


本文关键词:蓝牙芯片   MG127


相关文章: 巨微总代理低功耗蓝牙芯片MS1586
 


深圳市英尚微电子有限公司是一家专业的静态随机记忆体产品及方案提供商,十年来专业致力代理分销存储芯片IC, SRAM、MRAM、pSRAM、 FLASH芯片、SDRAM(DDR1/DDR2/DDR3)等,为客人提供性价比更高的产品及方案。
英尚微电子中国区指定的授权代理:VTI、NETSOL、JSC济州半导体(EMLSI)、Everspin 、IPSILOG、LYONTEK、ISSI、CYPRESS、ISOCOME、PARAGON、SINOCHIP、UNIIC; 著名半导体品牌的专业分销商  如:RAMTROM、ETRON、FUJITSU、LYONTEK、WILLSEMI。

 

​更多资讯关注SRAMSUN.   m.xpcontent.com         0755-66658299
 
 
 
展开
Baidu
map